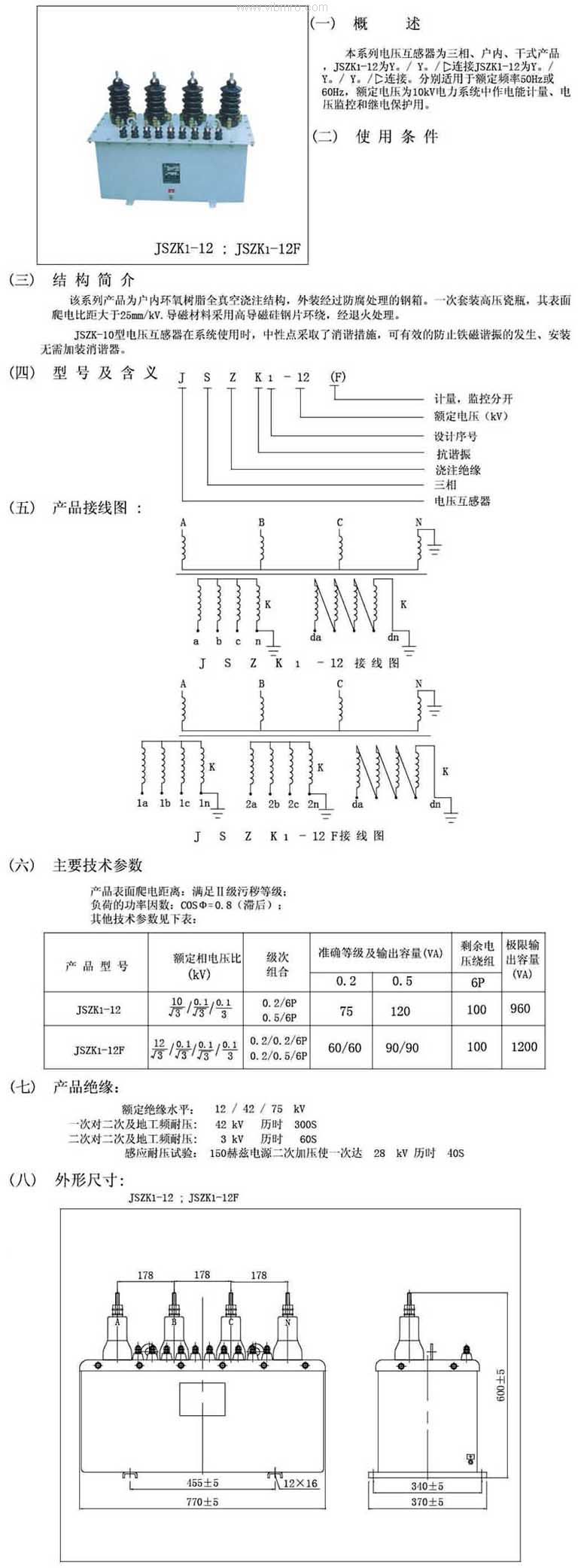
JSZWK-6.10、JSZK1-6.10(F)三相搞谐振型电压感器 产品详情 产品型号 气动接口组件 CPV10-EP-S-U-QS 气动接口组件 CPV14-EP-U-QS 气动接口组件 CPV14-EP-S-U-QS 气动接口组件 CPV14-EP-B-U-QS 气动接口组件 CPV14-EP-S-B-U-QS 气动接口组件 CPV14-EP-B-U-QS 气动接口组件 CPV14-EP-S-U-QS 气动接口组件 CPV14-EP-B-U-QS 气动接口组件 CPV14-EP-S-U-QS 气动接口组件 CPV18-EP-U-QS 气动接口组件 CPV18-EP-S-U-QS 气动接口组件 CPV18-EP-B-U-QS 气动接口组件 CPV18-EP-S-B-U-QS 气动接口组件 CPV18-EP-B-U-QS 前一页 JSZK1-6三相搞谐振型电压感器 后一页JSZK1-6三相搞谐振型电压感器 产品中心 更多产品 MORE+ 10KV户内三相电压互感器JSZW-10 XD1-12系列限流电抗器 MES(CE)-0.66系列塑壳互感器 JLS4-10三相四线(油浸)计量箱 测量型电流互感器SCTH FD2油浸式放电线圈 一匝穿芯式交流泄漏电流传感器 JSZK1-10三相搞谐振型电压感器 双作用短行程气 ADVC-40-10-I-P-A 双作用短行程气ADVC-40-15-I-P-A 双作用短行程气 ADVC-40-20-I-P-A 双作用短行程气ADVC-40-25-I-P-A 电话:021-51699285 传真:021-51698592 手机:13611905823 地址:上海市宝山区恒高路127弄6号楼2202室 首 页 关于我们 公司简介 品牌介绍 企业荣誉 产品中心 圆形连接器防水连接器重载连接器美军标连接器 新闻中心 公司新闻 行业动态 联系我们