021-51699285
首页
关于我们
公司简介
关于品牌
荣誉资质
产品中心
圆形连接器
防水连接器
重载连接器
美军标连接器
新闻中心
公司新闻
行业动态
联系我们
产品展示
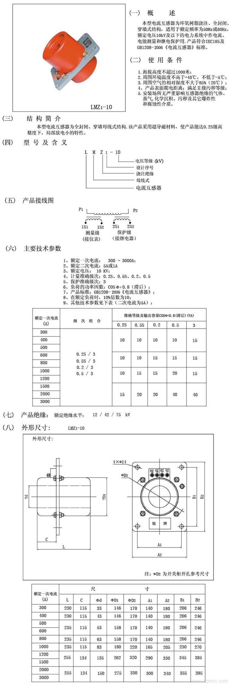
LMZ1-10户内、全工况、母线式电流互感器
首页
/
产品中心
/
10KV干式电流互感器
塑壳互感器系列
0.5KV母线式电流互感器
0.5KV树脂浇注式互感器
LYM-0.5系列大电流母排式互感器
0.5干式电压互感器
零序互感器
限流电抗器
BLZ-1K系列直流互感器
HL23-1系列仪用互感器
智能控制器
电机软启动器
特殊(特种)电流互感器
霍尔电流传感器
钳型互感器
微型精密互感器
矿用真空馈电开关用互感器
10KV干式电流互感器
35KV干式电流互感器
10KV-35KV系列高压计量箱
6KV-35KV油浸式电压互感器
10KV-35KV油浸式电流互感器
10KV-35KV(户外)干式电压互感器
10KV-35KV(户内)干式电压互感器
放电线圈(油浸式放电线圈、干式户内放电线圈)
三相抗谐振电压互感器
产品标题:LMZ1-10户内、全工况、母线式电流互感器
产品ID:
VIB20100105143438734
品 牌:
ANGESUN互感器
所在地:中国 上海
价 格:面议 (大量采购价格面议)
库存状态:
货期待查
更新日期:2025-9-4 18:23:30
咨询电话:(+86)021-51699285
咨询Q Q:
2695337323
产品简述
LMZ1-10户内、全工况、母线式电流互感器
产品详情
产品型号
双作用气缸 DNGV- 32- PPV-S6 -SA
双作用气缸 DNGV- 40- PPV-S6 -SA
双作用气缸 DNGV- 50- PPV-S6 -SA
双作用气缸 DNGV- 63- PPV-S6 -SA
双作用气缸 DNGV- 80- PPV-S6 -SA
双作用气缸 DNGV-100- PPV-S6 -SA
双作用气缸 DNGV-125- PPV-S6 -SA
标准插座 MSSD-EB-M12-MONO
标准插座 MSSD-EB-M12-DUO
NUTABD.,BEFEST. DGPXX- 18- -BZ
单作用短行程气 AEVC-4-2,5-P
单作用短行程气AEVC-4-5-P
单作用短行程气AEVC-4-2,5-A-P
单作用短行程气AEVC-4-5-A-P
前一页
LAJ-10(5-300/5)户内、全工况、全半封闭电流互感器
后一页
LAJ-10(5-300/5)户内、全工况、全半封闭电流互感器
产品中心
更多产品
MORE+
LZJD-10Q高压电流互感器
LZZB7-35GYW(干式)全封闭支柱式电流互感器
JLS-10双向计量(油浸)计量箱
NSQ系列塑壳互感器
JLSZW10-10三相三线(干式)双向计量计量箱
JSZWK-10三相搞谐振型电压感器
SPT204B测量型电压互感器
JDZ8-35电压互感器
双作用气缸 DSEU-8-10-P-A
双作用气缸 DSEU-8-25-P-A
双作用气缸 DSEU-8-40-P-A
双作用气缸 DSEU-8-50-P-A
电话:
021-51699285
传真:
021-51698592
手机:
13611905823
地址:上海市宝山区恒高路127弄6号楼2202室
首 页
关于我们
公司简介
品牌介绍
企业荣誉
产品中心
圆形连接器
防水连接器
重载连接器
美军标连接器
新闻中心
公司新闻
行业动态
联系我们