021-51699285
首页
关于我们
公司简介
关于品牌
荣誉资质
产品中心
圆形连接器
防水连接器
重载连接器
美军标连接器
新闻中心
公司新闻
行业动态
联系我们
产品展示
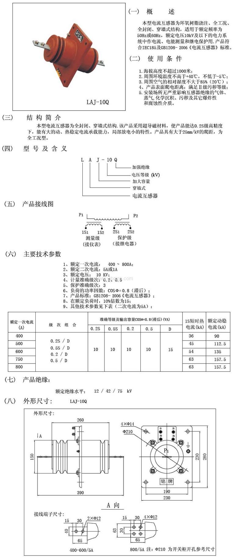
LAJ-10(5-300/5)户内、全工况、全半封闭电流互感器
首页
/
产品中心
/
10KV干式电流互感器
塑壳互感器系列
0.5KV母线式电流互感器
0.5KV树脂浇注式互感器
LYM-0.5系列大电流母排式互感器
0.5干式电压互感器
零序互感器
限流电抗器
BLZ-1K系列直流互感器
HL23-1系列仪用互感器
智能控制器
电机软启动器
特殊(特种)电流互感器
霍尔电流传感器
钳型互感器
微型精密互感器
矿用真空馈电开关用互感器
10KV干式电流互感器
35KV干式电流互感器
10KV-35KV系列高压计量箱
6KV-35KV油浸式电压互感器
10KV-35KV油浸式电流互感器
10KV-35KV(户外)干式电压互感器
10KV-35KV(户内)干式电压互感器
放电线圈(油浸式放电线圈、干式户内放电线圈)
三相抗谐振电压互感器
产品标题:LAJ-10(5-300/5)户内、全工况、全半封闭电流互感器
产品ID:
VIB20100105143031734
品 牌:
ANGESUN互感器
所在地:中国 上海
价 格:面议 (大量采购价格面议)
库存状态:
货期待查
更新日期:2025-9-11 19:25:40
咨询电话:(+86)021-51699285
咨询Q Q:
2695337323
产品简述
LAJ-10(5-300/5)户内、全工况、全半封闭电流互感器
产品详情
产品型号
传感器安装块 SF-63
传感器支架 HWS-18/25-M8
传感器支架 HWS-40-M8
传感器支架 HWS-63-M8
串口线 KDTAM-SB60-3-M12
串口线 KDTAM-SB60-6-M12
串口线 KDTAM-SB60-10-M12
气缸套件 BCRDSNU-25
气缸套件 BCRDSNU-1
脚架安装件 HBE-8/10
脚架安装件 HBE-12/16
脚架安装件 HBE-20
脚架安装件 HBE-25
脚架安装件 HBE-32
前一页
LA-10Q户内、半封闭电流互感器
后一页
LA-10Q户内、半封闭电流互感器
产品中心
更多产品
MORE+
LDZBJ-35(干式)全封闭支柱式电流互感器
BLZ-1K系列直流互感器
VST45智能控制器
特殊(特种)电流互感器
KDK系列限电抗器
SPT204B测量型电压互感器
LM-0.5系列母线式电流互感器
LJM-1母排式(零序)电流互感器
脚架安装件 HBE-40
脚架安装件 HBE-50/63
双耳环支座 LBE-32/40
双耳环支座 LBE-50
电话:
021-51699285
传真:
021-51698592
手机:
13611905823
地址:上海市宝山区恒高路127弄6号楼2202室
首 页
关于我们
公司简介
品牌介绍
企业荣誉
产品中心
圆形连接器
防水连接器
重载连接器
美军标连接器
新闻中心
公司新闻
行业动态
联系我们