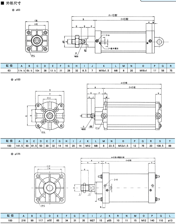
产品展示
TGF63X50-S,stnc气缸,索诺天工气缸,门泵气缸
首页 / 产品中心 / 标准气缸
产品标题:TGF63X50-S,stnc气缸,索诺天工气缸,门泵气缸
产品ID:VIB20120724161952734
品  牌:STNC索诺天工
所在地:中国 上海
价  格:面议 (大量采购价格面议)
库存状态:货期待查
更新日期:2025-10-8 5:54:54
咨询电话:(+86)021-51699285
咨询Q Q: 2695337323
产品简述

产品特性:
免润滑:采用含油轴承,使活塞杆无需加油润滑。
缓冲性:气缸两端带可调缓冲,使气缸换向时平稳无冲击。
安装型式多样:多种安装附件供客户选择。
附磁环:气缸活塞上装有一个永久磁铁,它可触发安装在气缸上的磁性开关来感测气缸的运动位置。

产品详情